Электромеханический датчик контроля низкого уровня воды в котле WMS-WP6, с блокировкой

Цена по прейскуранту

333,40 €

Арт.-№

42 300 

Группа скидок: B

Основные технические данные

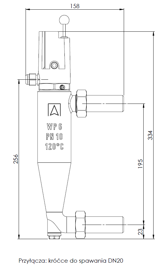
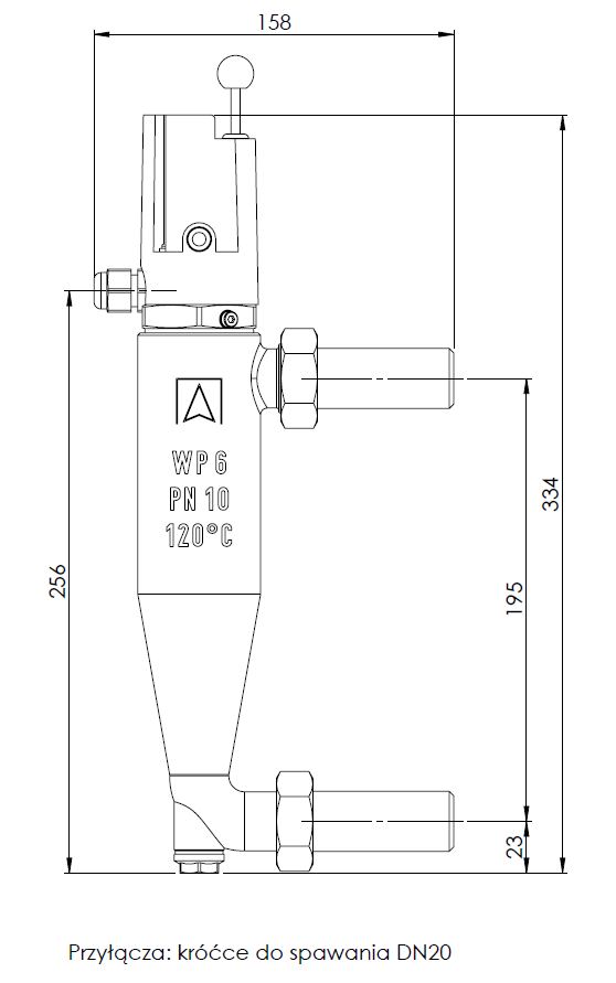
  • Соединения
    сварные патрубки DN20
  • Давление теплоносителя
    max. 10 бар
  • Температура теплоносителя
    max. 120°C
  • Теплоноситель
    вода, смесь воды и гликоля с максимальной концентрацией 50%

Электромеханический датчик контроля низкого уровня воды в котле WMS-WP6, с блокировкой

Приложение

  • Используется в закрытых отопительных системах.
  • Устанавливается на вертикальном трубопроводе подачи от источника тепла.
  • Защищает источник тепла от перегрева из-за утечки воды из системы.

Описание

  • Электромеханический датчик с поплавком.
  • Имеет кнопку блокировки для возобновления работы источника тепла при обнаружении утечки.
  • Рычаг управления позволяет перемещать поплавок вниз для имитации аварийного состояния.
  • Корпус изготовлен из латуни.

Товары для доставки

  • Патрубки для приварки DN20.
  • Комплект прокладок и гаек для патрубков.

Технические данные

  • Соединения
    сварные патрубки DN20
  • Давление теплоносителя
    max. 10 бар
  • Температура теплоносителя
    max. 120°C
  • Теплоноситель
    вода, смесь воды и гликоля с максимальной концентрацией 50%

Размеры (мм)

Документация